设为首页
/
加入收藏
首页
中心概况
规章制度
管理制度
政策法规
国家标准
资讯公告
通知公告
中心动态
服务指南
动物实验
伦理审查
教学动物
准入培训
收费指引
其他办事
下载中心
人才招聘
动物设施
越秀8号楼
越秀11号楼
番禺一期
番禺二期
联系我们
国家标准
当前位置:
首页
>
规章制度
>
国家标准
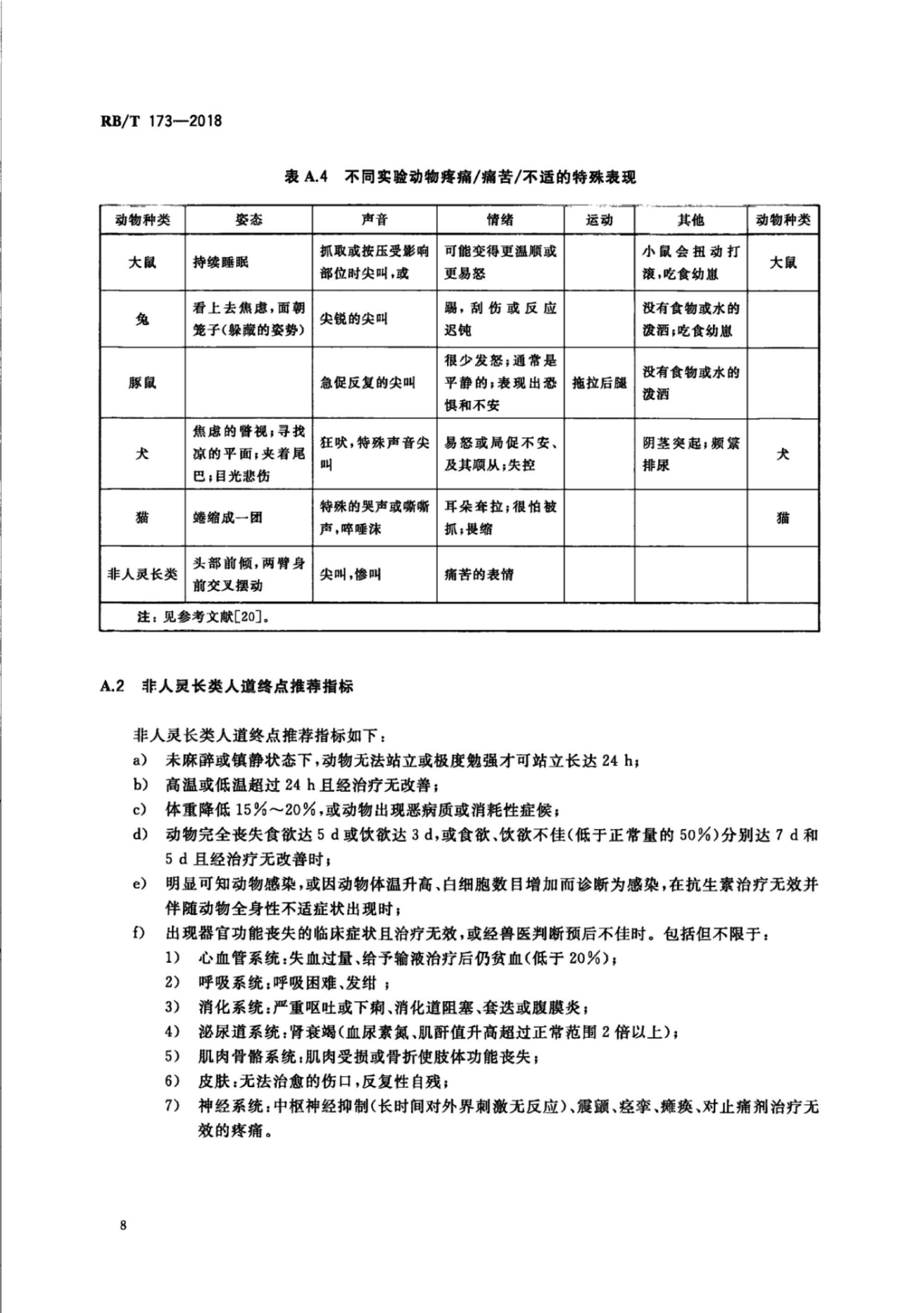
RB∕T 173-2018 动物实验人道终点评审指南
发布日期:2025-12-26
附件下载
RB∕T 173-2018 动物实验人道终点评审指南.pdf
已下载
次
版权所有:广州医科大学实验动物中心